• ελατηρια
    Κατασκευές Ελατηρίων Παντός Τύπου
  • ελατηρια
    Κατασκευές Ελατηρίων Παντός Τύπου
  • ελατηρια
    Κατασκευές Ελατηρίων Παντός Τύπου

Ελατήρια έλξεως

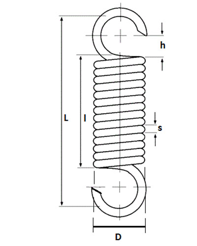
Ελατήριο Έλξεως -Είναι σχεδιασμένο για να λειτουργεί με ένα φορτίο έλξεως, έτσι ώστε το ελατήριο τεντώνεται καθώς το φορτίο εφαρμόζεται σε αυτό. Κατασκευάζουμε ελατήρια έλξεως σε όλα τα μεγέθη μήκους, διαμέτρου ή δύναμης καθώς και διαμέτρου σύρματος από 0.5mm εώς 30mm.


ελατήρια έλξεως
ελατήρια έλξεως
ελατήρια έλξεως

Ελατήριο Έλξεως

Τα ελατήρια έλξεως είναι ελατήρια που λειτουργούν απευθείας στο αντικείμενο. Με περισσότερες λεπτομέρειες αυτό σημαίνει ότι το αντικείμενο εφαρμόζεται στις άκρες του ελατηρίου που έχει γάντζους πολλών ειδών και αμέσως το ελατήριο αρχίζει να αποθηκεύει δύναμη και να επιμηκύνεται. Η σχέση του ελατηρίου με το αντικείμενο είναι σχέση δράσης-αντίδρασης, με αποτέλεσμα όσο μεγαλύτερη δύναμη λαμβάνει το ελατήριο, τόσο μεγαλύτερη αντίδραση δίνει. Αυτή είναι η βασική λειτουργία του ελατηρίου και πως επηρεάζει το αντικείμενο. Τα ελατήρια έλξεως αποτελούνται από σπείρες χωρίς κενά μεταξύ τους και γάντζους στα άκρα τους. Υπάρχουν πολλοί τύποι γάντζων ανάλογα με το αντικείμενο που θέλουμε να τοποθετήσουμε πάνω τους. Όσο μεγαλύτερο είναι το πάχος των ελατηρίων, τόσο πιο ανθεκτικά είναι τα ελατήρια, αφού δέχεται δύναμη από το αντικείμενο το ελατήριο επιμηκύνεται και όταν η δύναμη αυτή σταματήσει, το ελατήριο επιστρέφει στο αρχικό του σχήμα.

Κατασκευάζουμε ελατήρια έλξεως σε όλα τα μεγέθη μήκους, διαμέτρου ή δύναμης καθώς και διαμέτρου σύρματος από 0.5mm εώς 30mm. Με κρίκους και γάντζους μονούς ή διπλούς κάθετους. Κατασκευή κατόπιν παραγγελίας βάση των διαστάσεων που θα μας στείλετε ή βάση δείγματος ελατηρίου.



Φόρμα ελατηρίων έλξεως

Διαστάσεις Ελατηρίου (συμπληρώστε τα στοιχεία)

ελατηριο ελξεως

Success! Το μήνυμα σας εστάλει με επιτυχία.
Error! Υπήρξε πρόβλημα κατα την αποστολή του μυνήματος.